HTDB 8M 20
HTDB 8M 20 со склада в Москве!
Чтобы заказать HTDB 8M 20, звоните по телефону, или воспользуйтесь заявкой с сайта!
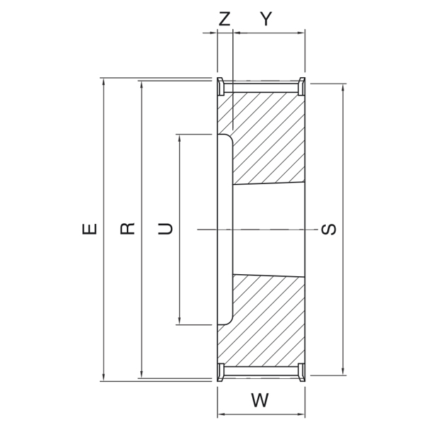
Расшифровка буквенных обозначений размеров шкивов HTDB 8M 20
E - диаметр реборды (фланца) (мм.)
S - наружный диаметр шкива (мм.)
R - диаметр делительной окружности (мм.)
U - диаметр диска (мм.)
d - диаметр центровочного отверстия (мм.)
H - диаметр ступицы (hub) (мм.)
Y - общая ширина шкива (мм.)
W - ширина зубчатой части шкива (мм.)
Z - ширина ступицы (hub) (мм.)
| Код |
Кол-во Зубьев |
Тип |
R (мм) |
S (мм) |
E (мм) |
U (мм) |
W (мм) |
H (мм) |
Y (мм) |
Z (мм) |
SER-SIT ® Код |
Наличие Реборд (фланцев) |
Материал |
|---|---|---|---|---|---|---|---|---|---|---|---|---|---|
| HDВ 22 - 8 M 20 | 22 | 4 | 56.02 | 54.65 | 62 | 38 | 28 | - | 6 | 22 | 1008 |
С ребордой (с фланцем) |
Чугун |
| HDВ 24 - 8 M 20 | 24 | 4 | 61.12 | 59.74 | 67 | 42 | 28 | - | 6 | 22 | 1108 | ||
| HDВ 26 - 8 M 20 | 26 | 4 | 66.21 | 64.84 | 73 | 45 | 28 | - | 6 | 22 | 1108 | ||
| HDВ 28 - 8 M 20 | 28 | 4 | 71.30 | 69.93 | 77 | 52 | 28 | - | 6 | 22 | 1108 | ||
| HDВ 30 - 8 M 20 | 30 | 4 | 76.39 | 75.02 | 84 | 56 | 28 | - | 6 | 22 | 1108 | ||
| HDВ 32 - 8 M 20 | 32 | 4 | 81.49 | 80.12 | 88 | 65 | 28 | - | 3 | 25 | 1610 | ||
| HDВ 34 - 8 M 20 | 34 | 4 | 86.58 | 85.21 | 94 | 66 | 28 | - | 3 | 25 | 1610 | ||
| HDВ 36 - 8 M 20 | 36 | 4 | 91.67 | 90.30 | 98 | 68 | 28 | - | 3 | 25 | 1610 | ||
| HDВ 38 - 8 M 20 | 38 | 4 | 96.77 | 95.39 | 104 | 76 | 28 | - | 3 | 25 | 1610 | ||
| HDВ 40 - 8 M 20 | 40 | 4 | 101.86 | 100.49 | 108 | 80 | 28 | - | 3 | 25 | 1610 | ||
| HDВ 44 - 8 M 20 | 44 | 1 | 112.05 | 110.67 | 121 | - | 28 | 99 | 4 | 32 | 2012 | ||
| HDВ 48 - 8 M 20 | 48 | 1 | 122.23 | 120.86 | 129 | - | 28 | 105 | 4 | 32 | 2012 | ||
| HDВ 56 - 8 M 20 | 56 | 1 | 142.60 | 141.23 | 149 | - | 28 | 105 | 4 | 32 | 2012 | ||
| HDВ 64 - 8 M 20 | 64 | 6 | 162.97 | 161.60 | 168 | 140 | 28 | 110 | 4 | 32 | 2012 | ||
| HDВ 72 - 8 M 20 | 72 | 6 | 183.35 | 181.97 | 191 | 158 | 28 | 110 | 4 | 32 | 2012 | ||
| HDВ 80 - 8 M 20 | 80 | 9 | 203.72 | 202.35 | - | 178 | 28 | 110 | 4 | 32 | 2012 |
Без реборды (без фланца) |
|
| HDВ 90 - 8 M 20 | 90 | 12 | 229.18 | 227.81 | - | 204 | 28 | 110 | 4 | 32 | 2012 |
